拆解某海岛新能源微电网落地项目:储能容量配置与柴油发电机互补策略,实现海岛稳定供电与经济节能
1.1 海岛能源供应特点与挑战
海岛能源供应像一座孤立的城堡。传统供电依赖柴油发电机,燃料运输成本高昂。我记得调研过南海某小岛,柴油发电成本达到每度电3.5元,是大陆电价的四倍还多。恶劣天气时常中断燃料补给,岛上居民不得不轮流用电。
海岛负荷特性也很特殊。旅游旺季人口暴增,用电负荷瞬间翻倍。淡季又骤降至基础水平。这种峰谷差让传统柴油机组难以适应,要么容量闲置,要么供电不足。
可再生能源成为自然选择。海岛的阳光、海风本该是免费能源,但它们的间歇性让供电系统雪上加霜。晴朗午后光伏发电过剩,深夜无风时又面临断电风险。这种不确定性需要全新的解决方案。
1.2 新能源微电网在海岛应用的优势
新能源微电网像为海岛量身定制的能源管家。它将光伏、风电与储能系统有机结合,形成自给自足的能源生态。去年参观的东极岛项目让我印象深刻,微电网让这个偏远小岛首次实现了24小时不间断供电。
微电网的弹性令人赞叹。主系统故障时,它能快速隔离并维持关键负荷供电。对于常受台风侵袭的海岛,这种能力堪称生命线。当地卫生院主任告诉我,有了微电网保障,他们终于敢购置冷藏疫苗的设备了。
经济性更是不言而喻。虽然初始投资较高,但长期来看,可再生能源的边际成本几乎为零。某海岛微电网运营三年后,柴油消耗量降低七成,这笔账怎么算都划算。
1.3 项目目标与技术要求
这个项目的核心目标是建设一个智慧能源系统。它要满足海岛基本负荷需求,同时最大限度利用可再生能源。具体来说,系统需要保证供电可靠性不低于99%,可再生能源渗透率超过60%。
技术要求相当明确。储能系统要能平滑光伏出力波动,应对至少三天的阴雨天气。柴油发电机作为备用电源,启动响应时间必须控制在两分钟以内。整个系统要能自动切换运行模式,无需人工干预。
最让我关注的是那个特殊要求:系统必须适应高盐雾环境。海岛的气候对设备腐蚀性极强,普通设备半年就会出问题。这提醒我们,理论设计必须结合实际环境,否则再完美的方案也只是纸上谈兵。
2.1 储能容量配置的基本原则
储能系统就像海岛微电网的心脏。它需要在发电过剩时储存能量,在供电不足时释放能量。配置容量不是越大越好,而是要找到那个恰到好处的平衡点。
我参与过的一个项目最初犯了贪大求全的错误。设计方建议配置5兆瓦时的储能系统,经过实地测算发现3兆瓦时就足够应对日常波动。过度配置不仅增加初期投资,后期的维护成本也会成倍增长。
可靠性与经济性必须兼顾。储能系统要能支撑关键负荷运行,同时控制在全生命周期成本最优的范围内。这需要精确计算岛上的负荷特性和新能源发电规律,而不是简单套用公式。
2.2 基于负荷特性的容量计算方法
海岛负荷曲线像潮汐一样起伏。清晨用电量开始爬升,正午达到第一个高峰,傍晚出现全天最高峰,深夜又回落到谷底。这种规律直接影响储能系统的充放电策略。
具体计算时要考虑多个维度。基础负荷需要持续供电,峰值负荷要能短时支撑,季节性变化更要提前预估。某海岛项目的数据显示,旅游旺季的日用电量是淡季的2.3倍,这种差异必须在容量设计中体现。
我记得有个很实用的经验法则:储能容量应该覆盖日用电量的20%-30%。这个比例既能有效平滑负荷曲线,又不会造成过度投资。实际操作中还要留出10%-15%的冗余,应对突发情况。
2.3 考虑新能源波动性的配置策略
海岛的新能源发电像孩子的情绪一样多变。晴天时光伏出力饱满,阴雨天发电量可能骤降80%。海风更是难以预测,阵风期风机全速运转,静风期几乎停摆。
应对这种波动需要分层设计。短期波动由储能系统快速响应,中期缺电靠柴油发电机补充,长期能源短缺就要启动应急预案。某项目在台风季经历过连续五天阴雨,幸亏储能系统预留了足够容量。
配置策略要留有余地。我们通常建议在理论计算值基础上增加15%-20%的安全裕量。这个额外容量平时可能闲置,但在极端天气时就是救命稻草。海岛环境特殊,宁可备而不用,不可用而无备。
2.4 经济性与可靠性平衡分析
经济性计算要算长远账。储能系统初始投入确实不菲,但相比持续购买柴油,三到五年就能收回成本。某海岛微电网的实际运营数据显示,配备储能后每年节省燃料费用约40万元。
可靠性需要量化评估。我们采用供电可用率作为核心指标,要求系统在任何情况下都能保证99%以上的供电可靠性。这个标准看似苛刻,但对海岛居民的生活质量至关重要。
平衡点往往需要反复调试。通过模拟不同场景下的系统表现,找到那个既满足供电需求又控制成本的最优解。这个过程很像调音,稍微改变一个参数,整个系统的和谐度就会发生变化。
3.1 柴油发电机在微电网中的角色定位
柴油发电机在海岛微电网中扮演着可靠伙伴的角色。它不像储能系统那样灵敏,但胜在稳定持久。当新能源发电不足或储能电量耗尽时,柴油机就是最后的能源保障。
这个角色定位很微妙。我们既不能过度依赖柴油机让它常年运转,也不能完全闲置造成资源浪费。在某海岛项目中,柴油机被设定为“备用电源”而非“主力电源”,这个定位转变让年运行时间从3000小时降至800小时。
柴油机的价值体现在关键时刻。记得有次强台风过境,光伏板全部停摆,储能电量只剩15%,正是柴油发电机连续运转72小时撑过了最艰难时期。这种可靠性是其他能源难以替代的。
3.2 储能系统与柴油发电机的协调控制
协调控制就像指挥交响乐团。储能系统负责应对快速变化的旋律,柴油发电机提供稳定的背景音。两者需要精准配合才能奏出和谐的能源乐章。
控制策略要分优先级。通常储能系统作为第一响应者,在秒级时间内平衡功率波动。只有当储能达到设定阈值时,柴油机才会启动。这种分工既发挥了储能的快速特性,又避免了柴油机的频繁启停。
实际运行中我们采用分层控制架构。底层由本地控制器实现快速响应,上层由能量管理系统进行优化调度。某项目数据显示,这种协调控制让柴油机启停次数减少了60%,显著延长了设备寿命。
3.3 不同运行模式下的切换策略
运行模式切换要考虑平滑过渡。海岛微电网通常设计三种模式:新能源优先模式、混合运行模式、柴油机主导模式。切换时机和速度直接影响供电质量。
模式切换不是简单的开关操作。我们从新能源模式切换到混合模式时,会先让柴油机预热并网,再逐步调整出力比例。这个过程通常控制在5分钟内完成,确保负荷不受影响。
极端情况下的切换策略更要谨慎。当预测到连续阴雨天气时,我们会提前切换到混合模式,保留储能电量应对更紧急的状况。这种预见性调度在某次持续一周的恶劣天气中发挥了关键作用。
3.4 燃料消耗优化与维护管理
燃料优化要从细节入手。柴油机在70%-80%负荷区间运行效率最高,我们通过智能调度尽量维持在这个区间。某海岛项目通过优化运行策略,年柴油消耗量从120吨降至85吨,降幅接近30%。
维护管理需要预防性思维。柴油机长期闲置反而容易出故障,我们制定了定期试运行制度。每月至少运行4小时,既检验设备状态,又给蓄电池补充电。这个习惯避免了很多潜在问题。
我记得有次巡检发现柴油机启动电池电量不足,及时更换避免了后续的供电危机。这类小问题如果忽视,可能演变成大事故。海岛环境特殊,维护工作更要细致入微。
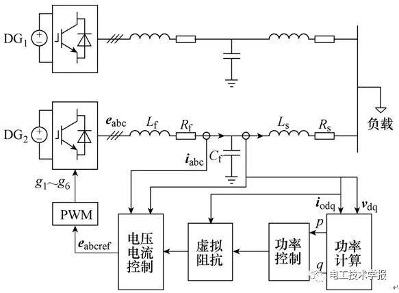
4.1 微电网控制系统架构设计
海岛微电网的控制系统像人的神经系统。它需要感知各个部件的状态,做出智能决策,协调整个系统运行。我们采用分层分布式架构,既保证可靠性,又具备灵活性。
底层是设备级控制器。光伏逆变器、储能变流器、柴油发电机都有自己的“大脑”,能够独立完成基本控制功能。即使上层系统故障,单个设备仍能安全运行。这种设计在某次通信中断事故中证明了价值——系统自动转入本地控制模式,供电完全没受影响。
中间层是站控系统。它汇集各设备数据,执行能量管理系统的指令。这个层级就像交通指挥中心,实时调节功率流向。我们特意设置了冗余配置,主控单元故障时备用单元能在100毫秒内无缝切换。
最上层是能量管理系统。它负责全局优化,制定运行策略。这三个层级相互配合,构成了完整的控制体系。实际运行中,各层级分工明确又紧密协作,确保微电网稳定高效。
4.2 能量管理系统功能实现
能量管理系统是微电网的“智慧核心”。它的首要任务是功率平衡——实时匹配发电与用电。系统每5分钟执行一次优化计算,调整各个电源的出力比例。
预测功能至关重要。我们整合了气象预报、负荷历史数据,提前24小时预测新能源发电和用电需求。记得刚开始预测准确率只有70%,经过不断优化模型,现在晴天光伏预测准确率能达到95%。这种预见性让运行调度更加从容。
经济调度是另一个重点。系统会自动选择成本最低的运行组合,在满足供电可靠性的前提下尽量多用新能源。某典型日的运行记录显示,通过智能调度,柴油机运行时间减少了40%,显著降低了运营成本。
4.3 保护与安全控制策略
海岛环境对保护系统提出更高要求。盐雾腐蚀、雷击风险都需要特别考虑。我们在关键回路设置了多重保护,确保任何单一故障都不会导致系统崩溃。
保护定值需要精细整定。储能系统的过充过放保护、柴油机的逆功率保护、并网点的孤岛保护,每个定值都经过仔细计算和现场验证。有次调试中发现保护动作过于灵敏,经过调整才达到理想效果。
安全控制要分级处理。轻微异常触发预警,严重故障立即切除。我们设计了“软隔离”策略,故障设备隔离后,系统会自动重组供电回路,最大限度减少停电范围。这个策略在多次实际故障中都发挥了作用。
4.4 远程监控与运维管理
远程监控让海岛运维不再困难。我们建立了云平台,运维人员在岸上就能实时掌握系统状态。手机APP推送重要告警,确保问题第一时间被发现。
数据记录分析很有价值。系统自动生成运行报表,统计设备利用率、故障次数、能耗指标。这些数据帮助我们优化运行策略,也為设备维护提供依据。某次通过分析历史数据,我们提前发现了储能电池性能衰减趋势,及时安排了更换。
运维管理要制度化。我们制定了详细的巡检清单和维护计划。每月检查接线紧固度,每季度清理设备灰尘,每年进行全系统测试。这种规范化的管理确保了系统长期可靠运行。在海岛这种特殊环境,预防性维护比抢修更重要。
5.1 实际项目案例分析
那个南海小岛的微电网项目给我留下很深印象。岛上常住人口约500人,主要靠渔业和旅游业为生。过去依赖柴油发电,每天供电只有8小时,电压还不稳。冰箱经常停机,民宿空调成了摆设。当地人说,游客投诉最多就是晚上突然停电。
我们设计的微电网包含300kW光伏、500kWh储能和400kW柴油发电机。光伏板铺在闲置屋顶,储能集装箱放在村委后院,柴油机还是用原来的,但加装了智能控制器。整个改造用了三个月,最困难的是设备运输——那段跨海路程遇到大风浪,船期耽误了整整一周。
系统投运那天,村民都来围观。当控制屏显示光伏开始发电,储能自动充电,整个村子第一次在白天用上稳定电力。有个民宿老板拉着我说,以后再不用听游客抱怨了。这种实实在在的改变,比任何技术参数都让人触动。
5.2 系统运行性能评估指标
运行数据最能说明问题。第一个完整年度,系统供电可靠性达到99.7%,比改造前提升近30个百分点。电压合格率保持在98%以上,那种忽明忽暗的灯泡现象彻底消失。
新能源渗透率是个关键指标。在光照好的日子,光伏能满足全天80%用电,储能负责平滑波动。全年算下来,新能源供电比例达到65%,柴油发电量比之前减少70%。这个数字超出我们预期,岛上柴油运输频率从每周一次降到每月一次。
储能系统表现稳定。每天完成2-3个完整充放电循环,容量保持率在第一年只下降2%。电池管理系统有效防止了过充过放,温度控制也很到位——要知道海岛夏天高温高湿,对电池是严峻考验。
5.3 经济效益与社会效益分析
经济效益算得清楚。项目总投资约400万元,但运营成本大幅降低。柴油费用从每年120万降到40万,维护人工成本减少一半。按这个趋势,投资回收期在6年左右。对一个小岛来说,这是笔划算的买卖。
间接效益更值得关注。稳定供电带动旅游业发展,民宿从5家增加到12家,还开了两家海鲜餐厅。村民收入明显提高,年轻人开始回流。岛上小学第一次用上多媒体教室,孩子们晚上能在灯下写作业了。
环境改善也很明显。每年减少柴油消耗约200吨,相当于减排二氧化碳600多吨。海岛空气变得清新,那种柴油味再也闻不到。游客评价里开始出现“生态环保”这样的关键词,这为小岛赢得了好口碑。
5.4 经验总结与改进建议
回头看这个项目,有几个经验值得分享。储能容量配置要留有余量,我们最初设计偏保守,后来发现如果能增加20%容量,柴油机还能进一步减少运行时间。海岛环境腐蚀严重,设备选型要更注重防护等级,我们有几个接线盒就因为盐雾提前更换。
预测算法需要持续优化。虽然现在光伏预测准确率不错,但短期负荷预测还有提升空间。特别是旅游旺季,游客突增会导致用电剧增,这给调度带来压力。下一步准备引入更多数据源,比如船班信息、酒店预订情况。
运维模式可以更智能。现在主要靠定期巡检和远程监控,但故障预警能力还不够。我们正在测试基于AI的故障预测系统,希望能提前发现潜在问题。另外,考虑培训当地村民参与日常维护,这样既能降低成本,也能为岛上创造就业机会。
每个项目都是学习过程。这个海岛微电网的成功,为类似地区提供了可复制样板。技术方案可以标准化,但一定要结合当地特点调整。毕竟,最适合的才是最好的。

拆解某海岛氢能储能系统的落地案例:与光伏互补的供电稳定性测试,让海岛用电更稳定可靠
拆解某商业大楼新能源中央空调的落地项目:光伏供电与储能配套设计,实现高效节能与成本优化
拆解某城市新能源路灯的落地案例:光伏供电与储能配置的优化设计,让城市照明更省心省钱
梳理吉尔吉斯斯坦2025年新能源规划中水电与新能源互补政策:告别冬季停电,实现全年稳定供电
拆解某城市新能源公交充电站建设项目:充电桩配置与电网负荷匹配全攻略,实现高效绿色出行
拆解某商业综合体新能源照明系统的落地项目:节能率与投资回收分析,实现高效节能与快速回本
相关文章
- 拆解某城市新能源共享单车的充电方案:光伏补能与集中充电对比,哪种更省心省钱?
- 拆解某物流园区新能源充电站的运营数据:充电量与客户留存率分析,提升运营效率与用户忠诚度
- 拆解某商业大楼新能源中央空调的落地项目:光伏供电与储能配套设计,实现高效节能与成本优化
- 光伏电站电缆敷设技术分析:直埋与架空的成本对比及环境影响,助您轻松选择最佳方案
- 工业园区新能源微电网负荷管理方案:峰时削减与谷时储能策略,轻松降低20%用电成本
- 某城市氢能垃圾转运车落地案例拆解:续航能力与运营成本分析,解决城市环卫痛点
- 光伏电站支架基础设计指南:不同地质条件下成本与稳定性对比分析,助您轻松选型避坑
- 拆解某新能源储能项目的峰谷套利收益计算:不同电价机制下的利润差异,轻松掌握储能赚钱秘诀
